DİSK FREN 10 BİJON 22.5 JANT
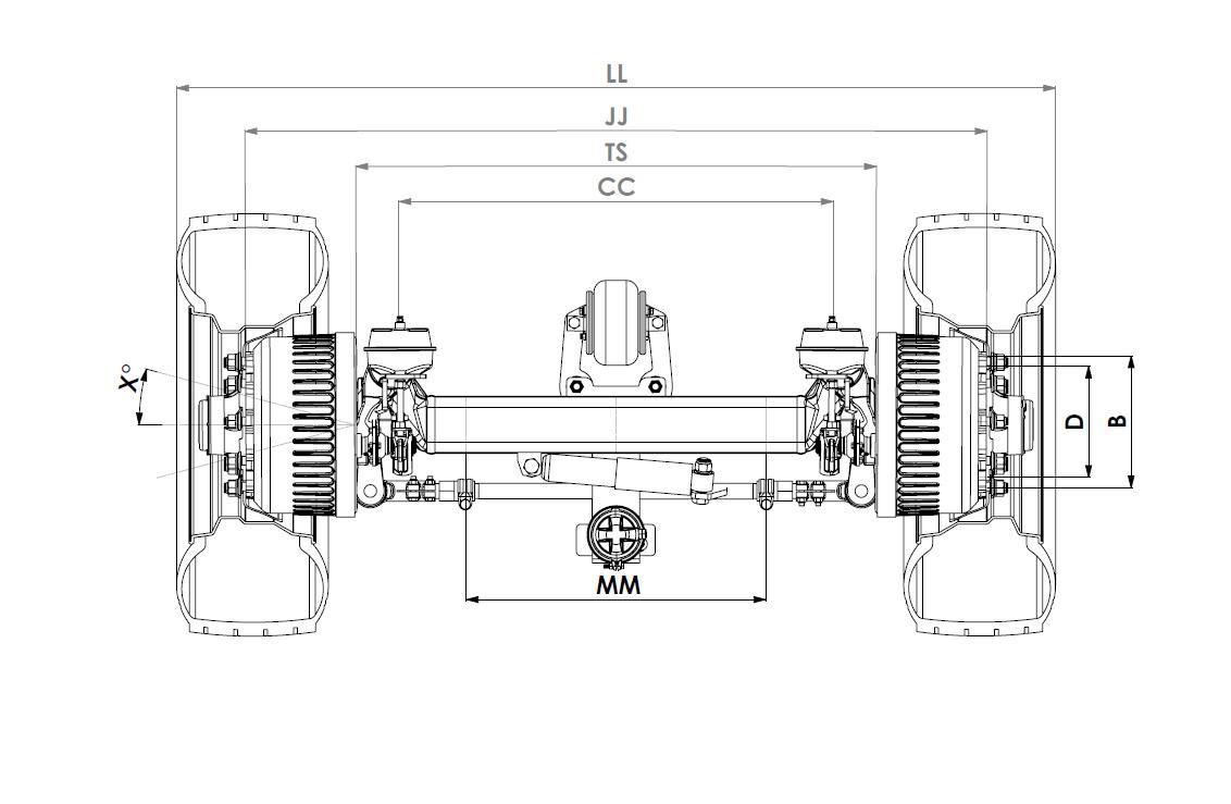
| KOD | KAPASİTE | LL | JT | AA | RULMANLAR | FREN | B/D | BİJON | MM | LASTİK | X max. | YEDEK PARÇA | TEST BELGE | BAKIM KLAVUZU | SET CİZİM |
|---|---|---|---|---|---|---|---|---|---|---|---|---|---|---|---|
| TR1239 | 11000 | 2450 | 2290 | 140*140 | 33213/218248 | 430/45 | 335/281 | 10*M22x1,5 | 980 |
TEK 120 OFFSET |
20° | BELGE AÇ | 🔧 | ||
| TR | 11000 | 2530 | 1850 | 140*140 | 33213/218248 | 430/45 | 335/281 | 10*M22x1,5 | 650 | ÇİFT | 20° |
|
testt |
''JT'' ölçüsü isteğe bağlı değiştirilebilir
KAMPANA FREN 10 BİJON 22.5 JANT
| KOD | KAPASİTE | LL | JT | CC | TS | AA | RULMANLAR | FREN | B/D | BİJON | MM | LASTİK | X max. | YEDEK PARÇA | TEST BELGE | BAKIM KLAVUZU | SET CİZİM |
|---|---|---|---|---|---|---|---|---|---|---|---|---|---|---|---|---|---|
| TR1224 | 12000 | 2450 | 2070 | 1266 | 1518 | 140*140 | 33213/218248 | 420/200 | 335/281 | 10*M22x1,5 | 900 | TEK |
20° |
![]() |
BELGE AÇ |
test |
|
| TR | 12000 | 2450 | 2290 | 1486 | 1738 | 140*140 | 33213/218248 | 420/200 | 335/281 | 10*M22x1,5 | 980 |
TEK 120 OFFSET |
20° | BELGE AÇ | |||
| TR3218 | 12000 | 2580 | 1900 | 1015 | 1348 | 140*140 | 33213/218248 | 420/200 | 335/281 | 10*M22x1,5 | 650 | ÇİFT | 20° | BELGE AÇ | |||
| TR3216 | 14000 | 2580 | 1900 | 1015 | 1348 | 140*140 | 33215/33019 | 420/200 | 335/281 | 10*M22x1,5 | 650 | ÇİFT | 20° | ![]() |
|||
| TR3304 | 12000 | 2900 | 2320 | 1447 | 1768 | 140*140 | 33213/218248 | 420/200 | 335/281 | 10*M22x1,5 | 1050 | ÇİFT | 20° | ||||
| TR3306 | 14000 | 2900 | 2320 | 1447 | 1768 | 140*140 | 33215/33019 | 420/200 | 335/281 | 10*M22x1,5 | 1050 | ÇİFT | 20° | ![]() |
''JT'' ölçüsü isteğe bağlı değiştirilebilir
KAMPANA FREN 10 BİJON 17.5 -19.5 JANT
| KOD | KAPASİTE | LL | JT | CC | TS | AA | RULMANLAR | FREN | B/D | BİJON | MM | LASTİK | X max. | YEDEK PARÇA | TEST BELGE | BAKIM KLAVUZU | SET CİZİM |
|---|---|---|---|---|---|---|---|---|---|---|---|---|---|---|---|---|---|
| TR5426 | 12000 | 2450 | 1900 | 1090 | 1347 | 140*140 | 33213/218248 | 330/200 | 225/175 | 10*M22x1,5 | 750 | ÇİFT |
20° |
![]() |
BELGE AÇ |
test |
|
| TR5430 | 12000 | 2900 | 2350 | 1540 | 1797 | 140*140 | 33213/218248 | 330/200 | 225/175 | 10*M22x1,5 | 1200 | ÇİFT | 20° | ![]() |
BELGE AÇ |
''JT'' ölçüsü isteğe bağlı değiştirilebilir