Teknik Özellikler

DİSK FREN 10 BİJON 22.5 JANT

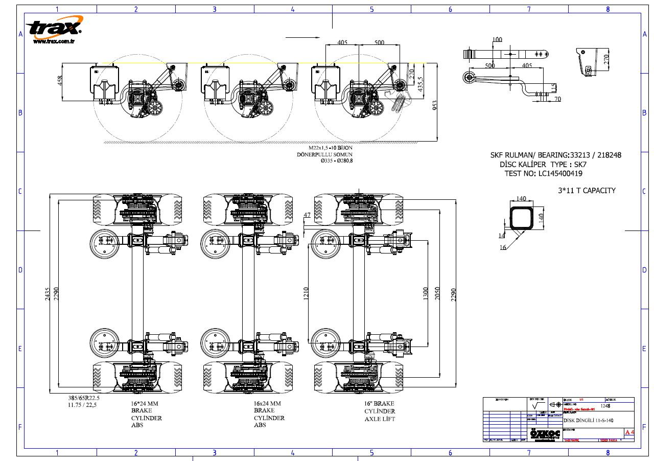
KOD KAPASİTE LL JT AA RULMANLAR FREN B/D BİJON MM LASTİK YEDEK PARÇA TEST BELGE BAKIM KLAVUZU SET ÇİZİM
TR1248 11000 2450 2070 140*140 33213/218248 430/45 335/281 10*M22x1,5 1300

TEK

120 OFFSET

BELGE AÇ

🔧

TR3248 11000 2530 1850 140*140 33213/218248 430/45 335/281 10*M22x1,5 900 ÇİFT

BELGE AÇ

 

testt

''JT'' ölçüsü isteğe bağlı değiştirilebilir

 

DİSK FREN 10 BİJON 19.5  JANT

KOD KAPASİTE LL JT AA RULMANLAR FREN B/D BİJON MM LASTİK YEDEK PARÇA TEST BELGE BAKIM KLAVUZU SET ÇİZİM
TR5448 9000 2440 2000 140*140 33213/218248 375/45 335/281 10*M22x1,5 1200 TEK    

🔧

test

''JT'' ölçüsü isteğe bağlı değiştirilebilir

Teknik Çizim